Rueda jockey con pinza UNITRAILER 150kg 48mm
Opiniones sobre Rueda jockey con pinza UNITRAILER 150kg 48mm
en nuestro programa de fidelización.
En el kit
Rueda jockey UNITRAILER 150kg 48mmPrecio: 17,29 € / pz.
Abrazadera para rueda jockey UNITRAILER 48mmPrecio: 4,59 € / pz.
2x Tornillo para montaje de la rueda de soporte DROMET M10x25 DIN 933Precio: 0,39 € / pzs.
2x Tuerca para rueda de soporte DROMET M10, autoblocante, DIN 985Precio: 0,19 € / pzs.
Rueda jockey con pinza UNITRAILER 150kg 48mm
Un conjunto UNITRAILER completo que incluye una rueda jockey sólida, una abrazadera dedicada y los elementos de montaje necesarios, lo que garantiza un soporte estable y seguro para el remolque durante el estacionamiento, las maniobras y la conexión a la barra de remolque.
El conjunto incluye:
- 1x rueda de apoyo JW48UTZ
- 1x abrazadera (abrazadera) para la rueda jockey JWC48UTZ
- 2 tornillos M10x25
- 2x tuerca autoblocante M10
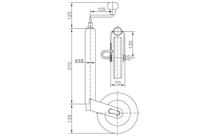
La rueda de apoyo está equipada con un tubo de 48 mm de diámetro y 370 mm de longitud , lo que garantiza una estructura sólida y estable. La altura total del tubo, incluyendo la rueda, es de 505 mm , lo que permite un ajuste cómodo a diversas alturas de la barra de tiro.
La abrazadera, con un diámetro de tubo de 48 mm, garantiza una fijación estable y segura a la barra de tiro del remolque. Mide 131 mm de largo y 66 mm de ancho , lo que garantiza una superficie de sujeción adecuada y una sujeción firme del tubo. Cuenta con dos orificios de montaje de 10,5 mm de diámetro , separados 105 mm entre sí, lo que permite una instalación fácil y precisa en la estructura del remolque.

Carga admisible
La carga admisible en posición estacionada es de 150 kg , lo que proporciona un soporte estable al remolque durante la carga, descarga y estacionamiento. Durante las maniobras, la carga máxima es de 90 kg , lo que garantiza un rodamiento y posicionamiento seguros del remolque sin riesgo de sobrecargar el mecanismo. El cumplimiento adecuado de estos límites garantiza la durabilidad del producto y un funcionamiento seguro.

Longitud de extensión
La extensión de la rueda jockey es de 225 mm , lo que permite un amplio rango de ajuste de la altura de la barra de remolque. Esta extensión permite un ajuste cómodo del remolque a diversas condiciones del terreno y facilita su conexión y desconexión de la barra de remolque. El rango de extensión adecuado aumenta la comodidad y la estabilidad al estacionar.

Tipo de rueda
La rueda de 200 x 50 mm está equipada con un neumático de caucho macizo , lo que elimina el riesgo de pinchazos y garantiza una alta durabilidad. La llanta de acero refuerza la estructura, aumenta la resistencia a cargas y daños mecánicos, garantizando un funcionamiento estable y fiable en diversas condiciones de uso.

Manivela con cojinete de empuje
La manivela está equipada con un cojinete de empuje que mejora significativamente la comodidad. Este cojinete reduce la fricción durante el funcionamiento, lo que resulta en un movimiento de la manivela más suave y ligero . Esto significa que subir y bajar la rueda jockey requiere menos fuerza y es más cómodo, incluso con cargas pesadas.

Protección anticorrosión
La rueda jockey y la abrazadera están fabricadas en acero electrogalvanizado , lo que proporciona una protección eficaz contra la corrosión y una larga vida útil, incluso con un uso intensivo en exteriores. El recubrimiento de zinc protege los componentes de acero de la humedad, la sal de la carretera y las condiciones climáticas cambiantes, aumentando la durabilidad y la resistencia de toda la estructura a los daños.
El kit de rueda jockey y abrazadera es una solución práctica y fiable , diseñada para estabilizar el remolque estacionado y facilitar su maniobrabilidad y desplazamiento por el patio, la entrada, el camping o el taller. Permite conectar y desconectar fácilmente el remolque de la barra de remolque y posicionarlo con precisión. La rueda jockey estabiliza el remolque, pero no está diseñada para levantarlo con carga. La abrazadera, sin embargo, es un elemento de montaje clave que garantiza una fijación estable y segura del tubo a la barra de remolque y su posicionamiento seguro. Esta combinación aumenta la comodidad y la seguridad de los remolques de transporte, embarcaciones y caravanas , garantizando la durabilidad y la solidez de la estructura. Por seguridad, compruebe la presión de la palanca y el estado del tubo de la rueda jockey antes de cada uso.



































