Abrazadera para rueda jockey WINTERHOFF KLE48 de 48 mm
Opiniones sobre Abrazadera para rueda jockey WINTERHOFF KLE48 de 48 mm
en nuestro programa de fidelización.
Ahorre comprando más

Rueda jockey con abrazadera WINTERHOFF ST48-200VB+KLE48 150kg 48mm 505-725mm

Soporte fijo con abrazadera WINTERHOFF RSR48-600+KLE48 150kg 48mm 600mm

Soporte fijo con abrazadera WINTERHOFF RSR48-700+KLE48 150kg 48mm 700mm

Rueda jockey con abrazadera WINTERHOFF ST48-260LB+KLE48 150kg 48mm 500-710mm

Rueda jockey con abrazadera WINTERHOFF ST48-200V+KLE48 150kg 48mm 505-725mm

Soporte de manivela extensible con abrazadera WINTERHOFF ST48-120+KLE48 150kg 48mm 600-820mm
Abrazadera para rueda jockey WINTERHOFF KLE48 de 48 mm
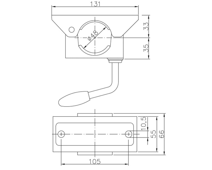
La abrazadera KLE48 de WINTERHOFF está diseñada para montar una rueda jockey o un soporte con un tubo de 48 mm de diámetro, garantizando una fijación estable y segura a la barra de tiro del remolque. La abrazadera tiene 131 mm de largo y 66 mm de ancho , lo que garantiza una superficie de sujeción adecuada y un soporte sólido para el tubo. Cuenta con dos orificios de montaje de 10,5 mm de diámetro , separados 105 mm entre sí, lo que permite una instalación fácil y precisa en la estructura del remolque.

Carga admisible
La capacidad máxima de carga de la abrazadera es de 250 kg , lo que garantiza una fijación estable y segura de la rueda jockey a la barra de tiro del remolque durante el estacionamiento, la carga y la descarga. Una capacidad de carga correctamente seleccionada garantiza que el tubo de soporte permanezca firmemente en su lugar, reduce el riesgo de aflojamiento y aumenta la seguridad operativa. Mantener los valores máximos de carga es crucial para garantizar la durabilidad de los componentes de montaje, proteger la estructura contra sobrecargas y garantizar un funcionamiento prolongado y sin problemas.

Protección anticorrosión
La abrazadera de rueda jockey está fabricada en acero electrogalvanizado , lo que proporciona una protección eficaz contra la corrosión y una larga vida útil, incluso con un uso intensivo en exteriores. El recubrimiento de zinc protege los componentes de acero de la humedad, la sal de la carretera y las condiciones climáticas cambiantes, aumentando así su durabilidad y resistencia a daños mecánicos.
La abrazadera es un elemento de montaje clave para la rueda jockey o pata de apoyo , que permite una fijación estable y segura a la barra de tiro del remolque. Sujeta firmemente el tubo en su lugar, garantizando la seguridad durante el estacionamiento y las maniobras. Facilita el soporte de la barra de tiro, la conexión y desconexión rápida del remolque y su desplazamiento manual en el patio, la entrada o el taller. Esta solución práctica y fiable, utilizada en remolques de transporte, remolques para embarcaciones y caravanas , garantiza durabilidad y estabilidad estructural. Por razones de seguridad, compruebe la presión de la palanca y el estado del tubo de la rueda jockey antes de cada uso.

























